What initially drew you to biomineralization as a method for creating sustainable designs for seawater environments?
Biomineralization is a natural process where living organisms produce minerals to form structures like shells and bones. Mineralization, in a broader sense, refers to the deposition of minerals within or on other materials, often occurring through either natural or artificial means. Together, these processes highlight the potential for integrating organic and inorganic systems.
Rethinking material engagement suggests that cultural and ecological practices should integrate rather than separate the animate and inanimate. I developed a methodology for creating artifacts designed to function within marine environments, leveraging both industrial and natural knowledge. These artifacts highlight the intersection of human and ecological processes in seawater environments—a relatively unexplored territory for fabrication. Designed to rehabilitate marine ecosystems, they promote the growth of artificial coral reefs, which contribute to mitigating ocean acidification by stabilizing pH levels and enhancing marine biodiversity.
The elements I designed are inspired by the morphology of sea urchins, serving as models for constructing calcium-based structures. Once deployed in the marine environment, these structures facilitate continuous growth and integration within the surrounding ecosystem. This work bridges the division between living and non-living matter, offering new insights into sustainable design and ecological integration.
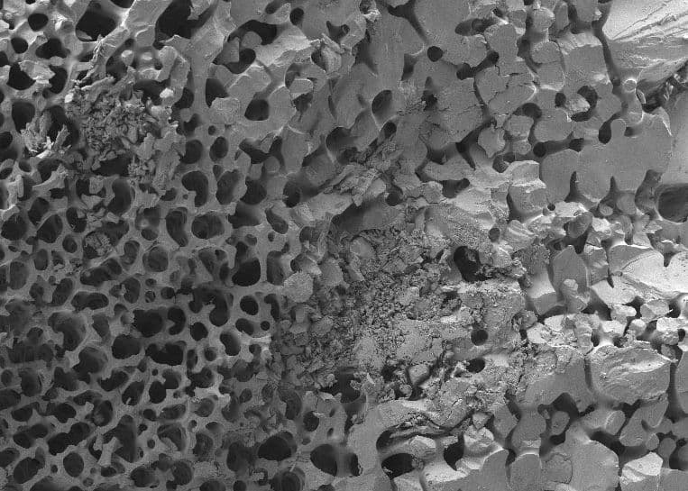
Calcium carbonate, rated the fifth most abundant compound in the earth's crust, interacts with dissolved calcium ions and carbon dioxide to form limestone through both organic and inorganic pathways. Anthropogenic carbon dioxide (CO2) emissions are acidifying the oceans, affecting calcification rates in pelagic organisms and altering the oceanic carbon and alkalinity cycles. The uptake of atmospheric CO2 lowers seawater pH and carbonate mineral saturation states, impacting marine life. Artificial corals and electrically stimulated organisms typically exhibit growth rates 2 to 10 times faster than natural counterparts.

What role does performativity play in your design work, particularly in bridging art, science, and design?
Performativity, particularly through poetic expression, is central to my design work, fostering a dynamic interplay between art, science, and design. This interplay enables the exploration of material dimensions, facilitating disciplinary exchanges and transitions that uncover previously uncharted territories.It reveals a symbiotic relationship between human and ecological forces, enriching the design process. As a core concept in my work, performativity challenges the conventional notion that language alone shapes reality. Instead, it acknowledges matter as inherently dynamic, charged with its own ongoing historicity.
By considering materials not as static entities but as co-evolving agents, I approach materiality as a living narrative—one that transforms naturally through the interrelation of disciplines. Navigating among the diverse languages of the humanities, sciences, and arts is essential for distributing knowledge. This perspective contests the traditional binary between animate and inanimate matter. Through the fluidity between these states, the design process gains a deeper integration of philosophical, environmental, and creative dimensions.

Your work with artificial corals focuses on seawater rehabilitation. How do you see these designs contributing to larger ecological restoration efforts?
Transitioning from my work with seawater environments, I began to explore the broader implications of slow fabrication through the creation of the “CaCO₃ Tea Ceremony,” a project that critiques industrialized approaches to ecosystem restoration.
Rooted in the tradition of Japanese tea ceremonies, which emphasize harmony, respect, and purity, the ceremony I designed brings an aesthetic focus to the materiality of calcium carbonate (CaCO₃)—an element commonly encountered in our daily lives. In this ceremony, I address the transformative properties of water and its interaction with limestone particles, which naturally bond with metal elements, a phenomenon seen in electric kettles.
By designing metal objects that reflect the rituals of tea preparation and placing them in a boiling kettle, the “dirtiness” of the water is transformed into an aesthetic material. This process fosters morphological transformativity and gives rise to a renewed appreciation of the inherent beauty in everyday materials, such as calcium carbonate, which often goes unnoticed in our routine interactions with water.
This exploration of CaCO₃ in the context of a tea ceremony allows me to delve deeper into the philosophical and cultural dimensions of sustainability. It encourages reflection on the role of materials in shaping our perception of nature. While my work with artificial corals initially aimed at rehabilitating marine ecosystems, I now seek to understand the wider implications of fabrication and materiality.
By creating rituals that involve natural materials, I question industrial fabrication and explore the potential for more sustainable, co-evolving methods of construction. Interacting with marine environments, I have come to view materiality as a dynamic and transformative process. The materials used in marine fabrication—such as calcium carbonate—must be provided with opportunities to express and manifest their transformative potential in these environments.
Investigating the potential for a future where materials and human activities coexist in a sustainable, symbiotic relationship, I aim to redefine the perception and utilization of materials, advancing a more holistic, eco-conscious approach to design.

How do collaborations with scientists shape the way you approach materials and fabrication methods?
Working closely with scientists allows me to learn more about the molecular and ecological processes underlying these materials, fostering a deeper understanding of their life-like behaviours and capacities for change.
This collaborative approach fosters the growth of materials and their interaction with the environment, as demonstrated in my CaCO₃ Tea Ceremony project. Carbon-based biomaterials embody the principle of life through their growth cycles and regenerative capabilities. This perspective shifts the focus from mere material functionality to a broader ecological narrative where materials become integral to life systems, contributing to sustainability, environmental resilience, and compassion.

How do you envision your mineralization technique adapting to different ecosystems around the world?
Biodesign today presents an opportunity to redefine the relationship between nature and culture, offering a challenge to traditional methodologies. Materials must undergo a transformation to discover their new materiality. Biomaterials, by their very essence, disrupt conventional material foundations with their dynamic, living properties.
Drawing inspiration from the intricate processes of nature, I am focused on fostering a 'natureculture' approach to architecture and the built environment. This approach integrates ecological knowledge and sustainable practices into design methodologies, where materials are reimagined to reveal their evolving materiality.
By questioning traditional perceptions, my work seeks to redefine how we conceptualize, process, and utilize materials, aiming for a future founded on sustainable construction systems. At the core of this effort is a critical evaluation of the emissions and energy-intensive industrial processes that dominate the built environment.
My techniques are intentionally designed to be adaptable and responsive to the specific conditions of diverse ecosystems. By viewing carbon as a living entity, new opportunities emerge for understanding materials as active participants in ecological and metabolic cycles.

What has been the most surprising discovery or breakthrough in your cross-disciplinary experiments so far?
The profound change and evolution that each experiment undergoes as it interacts with its environment. The material's capacity to transform and grow in response to local conditions has opened new pathways for change in construction practices. This understanding of materiality has allowed me to engage with materials as living entities, capable of transforming their surroundings.









